Светильник консольный ЖКУ28/ГКУ28/РКУ28 Селена
Освещение улиц, дорог, площадей, АЗС, железнодорожных станций и платформ, территорий дворов, школ и детских садов.
 |
Напряжение, В: 220 ± 10%
Номинальная частота, Гц: 50
Климатическое исполнение: У1, ХЛ1
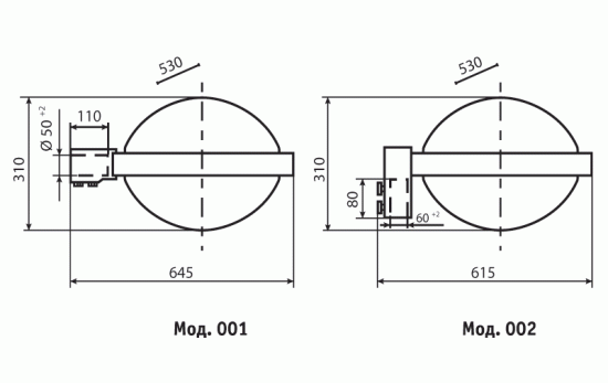
Габаритные размеры: 645хD530х310
615хD530х310 |

|
Наименование |
Тип лампы |
Ном.
мощ-
ность,
Вт |
Патрон |
КПД, %
(не менее) |
Макс.
коэф.
использ.
по освещен. |
Тип
КСС |
Степень
защиты |
Масса,
кг
(не более) |
|
ГКУ28-70-001/002 |
ДРИ |
70 |
Е27 |
70 |
0,35 |
широкая осевая |
IP54 |
11,4 |
|
ГКУ28-100-001/002 |
ДРИ |
100 |
Е27 |
70 |
0,35 |
широкая осевая |
IP54 |
11,6 |
|
ГКУ28-150-001/002 |
ДРИ |
150 |
Е27 |
70 |
0,35 |
широкая осевая |
IP54 |
11,7 |
|
ЖКУ28-70-001 |
ДНаТ |
70 |
Е27 |
70 |
0,34 |
широкая осевая |
IP54 |
11,4 |
|
ЖКУ28-100-001/002 |
ДНаТ |
100 |
Е40 |
70 |
0,34 |
широкая осевая |
IP54 |
11,6 |
|
ЖКУ28-150-001 |
ДНаТ |
150 |
Е40 |
70 |
0,34 |
широкая осевая |
IP54 |
11,7 |
|
РКУ28-80-001 |
ДРЛ |
80 |
Е27 |
68 |
0,34 |
широкая осевая |
IP54 |
11,1 |
|
РКУ28-125-001/002 |
ДРЛ |
125 |
Е27 |
68 |
0,34 |
широкая осевая |
IP54 |
11,2 |